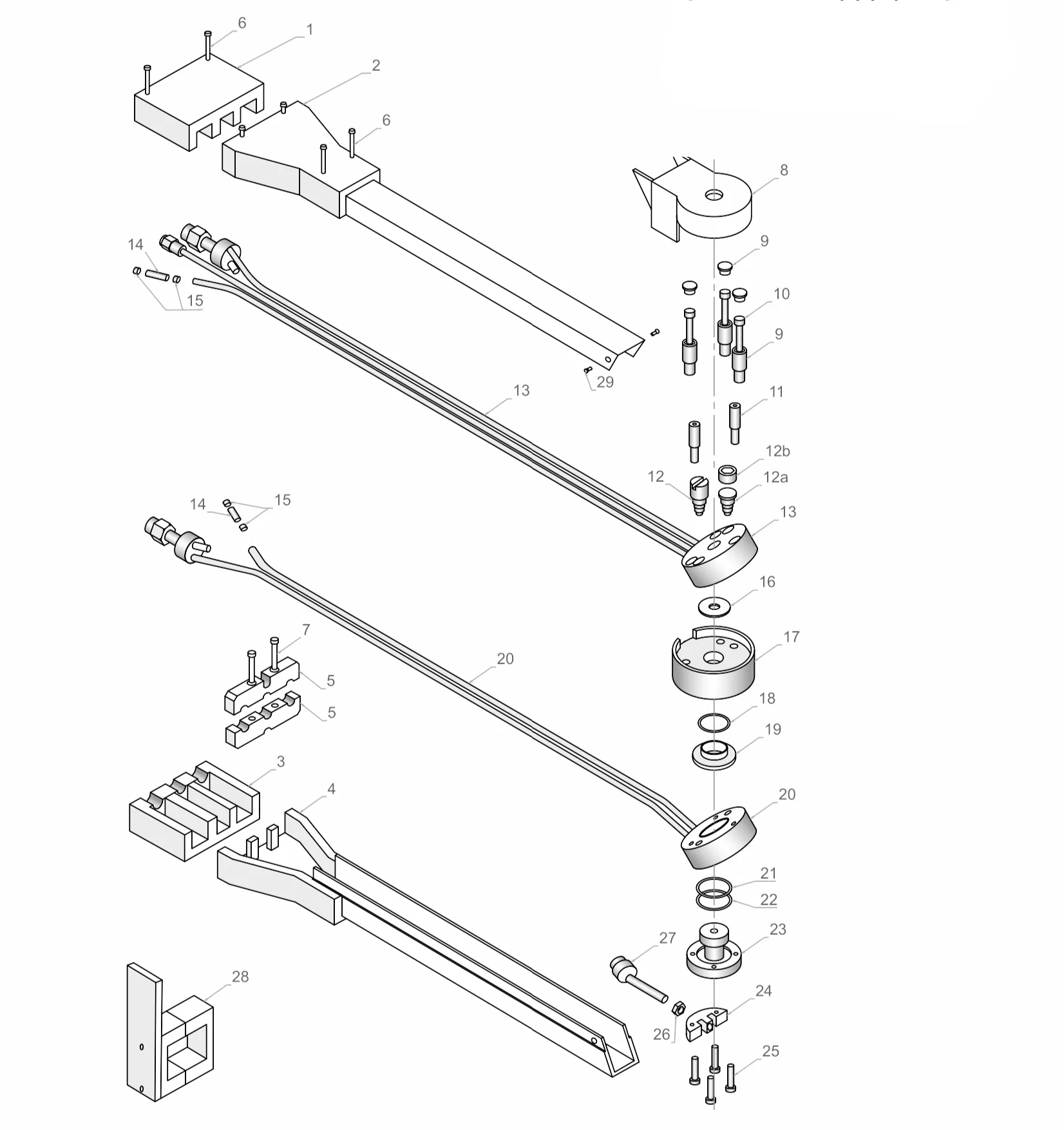
Конструкция плазмотрона F1 разработана и сконструирована специально для нанесения покрытий на внутренние поверхности деталей с диаметром от 75 мм и на глубину до 495 мм. Специальный материал корпуса позволяет производить напыления избегая влияния электрических полей на процесс наплавки. Данная модификация так же позволяет производить напыления при угле плазменной струи в 45˚ относительно корпуса плазмотрона.
| Номер на схеме | Артикул | Наименование | Артикул по METCO | Артикул по FST | Артикул по Clerici | |
|---|---|---|---|---|---|---|
| 1 | IRS-00106150 | F1-45-495 Модуль катода | Rear section complete | 1003750 | 301.012-01 | - |
| 1 | IRS-00106151 | F1-45-600 Модуль катода | Rear section complete | - | - | CE-001834 |
| 1 | IRS-00106152 | F1-45-700 Модуль катода | Rear section complete | - | - | CE-001835 |
| 1 | IRS-00106153 | F1-45-750 Модуль катода | Rear section complete | - | - | CE-001836 |
| 1 | IRS-00106154 | F1-45-1000 Модуль катода | Rear section complete | - | - | - |
| 2 | IRS-00106155 | F1-45-495 Модуль анода | Front section | 1003749 | 301.015-01 | - |
| 2 | IRS-00106156 | F1-45-600 Модуль анода | Front section | - | - | CE-001831 |
| 2 | IRS-00106157 | F1-45-700 Модуль анода | Front section | - | - | CE-001832 |
| 2 | IRS-00106158 | F1-45-750 Модуль анода | Front section | - | - | CE-001833 |
| 2 | IRS-00106159 | F1-45-1000 Модуль анода | Front section | - | - | - |
| 3 | IRS-00106058 | F1 Кожух нижний | Shell for F1-45 | 1003629 | 301.001-01 | CE-002224 |
| 4 | IRS-00106059 | F1 Кожух верхний | Shell for F1-45 | 1003629 | 301.001-01 | CE-002225 |
| 5 | IRS-00106060 | F1 Изолятор | Intermediate section complete | 1003754 | 301.014-00 | CE-001376 |
| 6 | IRS-00106061 | F1 Распределитель газа | Gas distribution ring | 1003634 | 301.013 | CE-001377 |
| 7 | IRS-00106062 | F1 Держатель инжектора | Injector support standard | 1003636 | 301.022 | CE-001812 |
| 8 | IRS-00106063 | F1 Штифт изолирующий | Centering pin | 1003640 | 3001.009 | CE-001381 |
| 9 | IRS-00106064 | F1 Втулка изолирующая | Insulating sleeves and covers | 1003624 | 301.007 | CE-001382 |
| 10 | IRS-00106065 | F1 Вкладыш изолирующий | - | - | CE-001809 | |
| 11 | IRS-00106066 | F1 Заглушка изолятора | - | - | - | |
| 12 | IRS-00106149 | F1-45 Кожух защитный | Cover | 1003751 | 301.002-01 | CE-001383 |
| 13-14 | IRS-00106170 | F1-45-495 Набор. Короб нижний + верхний | - | - | CE-001372 + CE-001371 | |
| 13-14 | IRS-00106171 | F1-45-600 Набор. Короб нижний + верхний | - | - | CE-001843 + CE-001840 | |
| 13-14 | IRS-00106172 | F1-45-700 Набор. Короб нижний + верхний | - | - | CE-001844 + CE-001841 | |
| 13-14 | IRS-00106173 | F1-45-750 Набор. Короб нижний + верхний | - | - | CE-001845 + CE-001842 | |
| 13-14 | IRS-00106174 | F1-45-1000 Набор. Короб нижний + верхний | - | - | - | |
| 15 | IRS-00106078 | F1 Обойма нижняя | Holder | 1003633 | 301.006 | CE-002223 |
| 16 | IRS-00106083 | F1 Обойма верхняя | Holder | 1003633 | 301.006 | CE-002222 |
| 17 | - | Шайба | - | - | - | |
| 18 | - | Винт | Socket head cap screw for holder | - | 301.029 | CE-002039 |
| 19 | - | Винт | - | - | - | |
| 20 | - | Винт | Nozzle screws, M3x10 | 1003521 | 301.023 | CE-001824 |
| 21 | - | Винт | - | - | CE-001823 | |
| 22 | - | Винт | Socket head cap screw | - | 301.028 | CE-001817 |
| 23 | - | Винт | - | - | - | |
| 24 | - | Винт | Screws, M3x6 | - | 301.003 | CE-001821 |
| 25 | - | Гайка | Locknut, M5 | - | 301.021 | - |
| 26 | IRS-00104418 | F1 Сопло, 5 мм | Nozzle, 5 mm | 1003621 | 301.018 | - |
| 26 | IRS-00104417 | F1 Сопло, 6 мм | Nozzle, 6 mm | 1003743 | 301.019 | CE-001749 |
| 27 | IRS-00104411 | F1 Электрод вставной | Electrode, plug type | 1003742 | 301.010-01 | CE-001757 |
| 27 | IRS-00104413 | F1 Электрод винтовой | Screw for electrode | 1003747 | 301.011 | - |
| 28 | IRS-00106192 | Инжектор Ф1,5 мм гнутый с гайкой | Powder injector 1.5 mm | 1003758 | 380.004 | CE-000760 |
| 28 | IRS-00106193 | Инжектор Ф1,8 мм гнутый с гайкой | Powder injector 1.8 mm | 1003760 | 380.005 | CE-000761 |
| 28 | IRS-00106194 | Инжектор Ф2,0 мм гнутый с гайкой | Powder injector 2.0 mm | 1003761 | 380.006 | CE-000762 |
| 29 | IRS-00106053 | F1 Кольцо | Intermediate section complete | 1003754 | 301.014-00 | CE-001375 |
| 30 | IRS-00103677 | Кольцо уплотнительное | O-Ring, 19 x 1.5 mm | 1003626 | 301.017 | CE-001046 |
| 31 | IRS-00103678 | Кольцо уплотнительное | Intermediate section complete | 1003754 | 301.014-00 | CE-001848 |
| 32 | IRS-00103676 | Кольцо уплотнительное | O-Ring, 18 x 2 mm | 1003745 | 301.016 | CE-001045 |
| 33 | IRS-00106021 | Шланг | Connecting hose | 1003510 | 301.005 | - |
| 34 | - | Хомут | Connecting hose clamp | 1003509 | 301.004 | - |
Опциональными принадлежностями для плазмотрона являются:
- приспособление для вытягивания сопла
- кронштейн для крепления плазмотрона
- держатели инжекторов
- инжекторы
- электроды
- сопла
Специалисты компании ООО «Интеллектуальные робот системы» всегда готовы проконсультировать Вас по необходимой комплектации для решения вашей производственной задачи.
Условия и способы оплаты
Оплата товара осуществляется только безналичным переводом денег согласно выставленному счету.
Мы с пониманием относимся, что купить дорогостоящее оборудование не всегда сразу возможно. Мы предлагаем нашим клиентам воспользоваться финансовым инструментом - Лизинг. Нашими партнерами по лизинговым компаниям являются “Дельта Лизинг”, “Балтийский лизинг” и другие, которые специализируются на оборудовании для металлообработки.
Мы предлагаем различные условия оплаты по согласованию сторон. Ниже указаны наши стандартные условия оплат, если оборудование поставляется под заказ.
50% - предоплата;
40% -по факту готовности к отгрузке со склада в г. Москве;
10% - после ввода оборудования в эксплуатацию..
Счета выставляются в рублях, Китайских Юанях, Долларах США или в Евро. Оплата счетов в Китайских Юанях, Долларах США или в Евро производится по курсу Евро ЦБ РФ.
Доставка
Доставка оборудования производится по всей территории России и стран СНГ. Обычно мы пользуемся услугами транспортной компанией “Деловые линии”, но вы можете подобрать транспортную компанию на свой выбор.
Самовывоз оборудования осуществляется по адресу Москва, Южнопортовая ул, 28 При получении товара необходимо иметь при себе доверенность или печать компании.
Время работы склада:
Пн-Пт: с 09:00 до 18:00;
Cб, Вс: выходные дни.
