Назначение
Токарный станок с наклонной станиной предназначен для высокоточной получистовой и чистовой обработки деталей типа валов, дисков и втулок.
Оборудование поддерживает широкий спектр механических операций, включая точение наружных поверхностей, расточку отверстий, обработку конических и криволинейных внутренних поверхностей, нарезание наружной и внутренней резьбы, обработку дуг и разворачивание отверстий.
Преимущества
- Жесткая цельнолитая станина с углом наклона 45°
- Высокие показатели по точности и повторяемости
- Телескопическая защита направляющих по осям
- ШВП от THK (Япония) класса точности C3
Конструктивные особенности
Станина
Монолитная наклонная станина с углом 45° обладает высокой жесткостью и виброустойчивостью, что способствует равномерному распределению нагрузки во время обработки. Такая конструкция облегчает настройку и регулировку станка, а также ускоряет удаление стружки, снижая время простоя и повышая общую производительность.
Точное ручное шабрение контактных поверхностей суппортов, передней и задней бабки в местах соединения со станиной обеспечивает долговечную точность обработки и снижает износ рабочих поверхностей.
Точный анализ методом конечных элементов и технология динамической оптимизации.
Шпиндель
Высокоскоростная шпиндельная бабка спроектирована с учетом минимизации тепловых деформаций, обеспечивая высокую точность обработки. В конструкции используются прецизионные подшипники NSK (Япония), что повышает надежность и долговечность узла.
Задняя бабка
Задняя бабка с сервоприводом позволяет регулировать скорость перемещения и прижимное усилие в соответствии с требованиями заготовки, обеспечивая быстрое, но плавное соприкосновение без удара.
Линейные направляющие и шарико-винтовая передача
Используется высококачественный шарико-винтовые передачи класса C3 и направляющая класса H, приводимые в движение серводвигателем, для обеспечения высокой точности работы.
Револьверная головка
Станок комплектуется сервоуправляемой револьверной головкой, рассчитанной на 8 инструментов (с возможностью расширения до 12), что обеспечивает быстрые и точные смены инструмента. Благодаря усиленной конструкции головка отличается высокой жесткостью, надежностью фиксации и высокой повторяемостью позиционирования, что критично для сложной и серийной обработки.
Системы подачи СОЖ через револьверную головку (Опция)
Вспомогательный шпиндель
Опциональный вспомогательный шпиндель расширяет возможности станка, позволяя выполнять многозадачную обработку в одном цикле. Это повышает производительность, снижает необходимость в переналадке и ускоряет выпуск готовых деталей.
Перемещение
| Модель | T5.1-100Q | T5.1-500Q | T5-500Q | T5-1000Q | T5-500S | T5-1000S |
| A, мм | 145 | 160 | 200 | 200 | 200 | 200 |
| B, мм | 205 | 560 | 560 | 1050 | 560 | 1025 |
| C, мм | 280 | 310 | 390 | 390 | 390 | 390 |
| D, мм | 163 | 519 | 510 | 1010 | 510 | 970 |
| E, мм | 7 | 7 | 7 | 7 | 7 | 7 |
| F, мм | 5 | 5 | 5 | 5 | 5 | 5 |
| G, мм | 169 | 210 | 210 | 210 | 254 | 254 |
| H, мм | 163 | 140 | 140 | 140 | 158 | 158 |
| I, мм | 39.5 | 39.5 | 39.5 | 43 | 43 | |
| J, мм | 5 | 2 | 5 | 5 | 5 | 5 |
| K, мм | – | 400 | 500 | 950 | 450 | 870 |
| T, мм | – | 0 | 0 | 0 | 0 | 0 |
Взаимодействие оснасток
8-ми позиционной револьверной головки
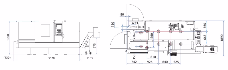
Размеры станка
Диаграммы крутящего момента и мощности шпинделя
Стандартная комплектация
- Контроллер FANUC-0i-TF Plus(5)
- Шпиндель гильзового типа
- Полый патрон и цилиндр
- 8-позиционная револьверная головка
Опции
- 12-позиционная револьверная головка
- Мощная башня
- Конвейер для стружки
- Пневматическая дверь
- Устройство обнаружения инструмента
- Устройство измерения заготовки
- Уловитель масляного тумана
- Устройство контроля поломки инструмента
Область применения
Производство обойм подшипников
Изготовление шестерен
Изготовление деталей автомобилей
Машиностроение
Условия и способы оплаты
Оплата товара осуществляется только безналичным переводом денег согласно выставленному счету.
Мы с пониманием относимся, что купить дорогостоящее оборудование не всегда сразу возможно. Мы предлагаем нашим клиентам воспользоваться финансовым инструментом - Лизинг. Нашими партнерами по лизинговым компаниям являются “Дельта Лизинг”, “Балтийский лизинг” и другие, которые специализируются на оборудовании для металлообработки.
Мы предлагаем различные условия оплаты по согласованию сторон. Ниже указаны наши стандартные условия оплат, если оборудование поставляется под заказ.
50% - предоплата;
40% -по факту готовности к отгрузке со склада в г. Москве;
10% - после ввода оборудования в эксплуатацию..
Счета выставляются в рублях, Китайских Юанях, Долларах США или в Евро. Оплата счетов в Китайских Юанях, Долларах США или в Евро производится по курсу Евро ЦБ РФ.
Доставка
Доставка оборудования производится по всей территории России и стран СНГ. Обычно мы пользуемся услугами транспортной компанией “Деловые линии”, но вы можете подобрать транспортную компанию на свой выбор.
Самовывоз оборудования осуществляется по адресу Москва, Южнопортовая ул, 28 При получении товара необходимо иметь при себе доверенность или печать компании.
Время работы склада:
Пн-Пт: с 09:00 до 18:00;
Cб, Вс: выходные дни.
